-
CP70離心機啟動后顯示面板不亮
超速離心機廣泛應用于全國各大專院校、 科研單位以及生化制藥等部門,在科研和生產中發揮了重要作用。但由于長時間的運行,儀器元器件老化、機械部分磨損,產生一些故障。現就
-
日立CP70ME高速冷凍離心機制熱而不制冷的故障
日立 CP70ME 型高速冷凍離心機性能穩定,操作方便,上海某高校實驗室里有臺該機型溫控部分易出現失控現象。轉子室內制熱而不制冷的故障檢修方法。
-
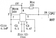
CP100WX離心機啟動后突然停止
cp100wx高速冷凍離心機是醫療科研工作中的 一項重要設備,它在生物醫學向分子細胞學 發展的過程中,在細胞膜、核、漿及脫氧核糖 核酸病毒分離等方面的研究,不僅大大提高
-
日立離心機顯示屏突然不顯示解決方法大揭秘
最近,許多使用日立離心機的用戶都遇到了一個令人困擾的問題開機后,顯示屏突然不顯示了。這個問題給用戶帶來了很大的困擾,因為無法正常顯示的離心機無法進行操作和監控。
-
實驗室離心機使用及其日常維護
離心機是利用離心力對液體進行快速分離的專門設備,如在生化研究中對所研究的對象,如:病毒、生物細胞、無機物溶液、蛋白等有機物、血清、懸浮液及膠體等樣品進行分離制備工
-
日立CS16RX離心機無法工作故障詳解
日立CS16RX不能正常工作通過故障分析具體檢修方法解決問題。
-
日立CR16RX離心機故障代碼E13
現在我們以日立CR16RX落地式冷凍離心機為例,予以介紹。故障現象:開機出現“Err13”錯誤提示,主機無法啟動。故障分析與檢修:該離心機出現“Err13”報警,原
-
上海日立離心機售后維修-離心機常見故障兩例解
離心機設備本身可以讓膠體溶液中的固相和液相分離的特性,讓生物科學技術上升到一個新的臺階,讓它成為了醫藥,化工,煤炭等實驗室里必備的設備。由于離心機的使用頻率高,內
-
日立離心機維修電話-日立實驗室離心機如何分類
日立離心機根據轉子轉速(每分鐘轉數,以r/min表示)的大小,可分為普通離心機、高速離心機和超速離心機三類。日立離心機其實就是一個產生離心力的機器,離心力與轉子半徑、轉速
-
日立CR21G離心機維修案例
通過對日立CR21G型高速臺式離心機故障維修案例的分析,為臨床醫學工程師提供一些快捷維修方法。通過迅速準確地維修,保障了離心機的工作效率。
